Weigh In Motion
  • sales@alatuji.com

     

  • 021 8690 6777
    021 8690 6770
  • 0812 9595 7914 (Mr. Parmin)
    0813 1066 1358 (Ms. Eki)
    0852 1556 0669 (Mr. Almas)
  • 0812 1171 0829 (Ms. Rara)
    0812 8333 5497 (Mr. Muslim)

Weigh In Motion

 


Feature

Beberapa kegunaan Lineas dan Applikasinya:

img-lineas2

 

img-lineas3

 

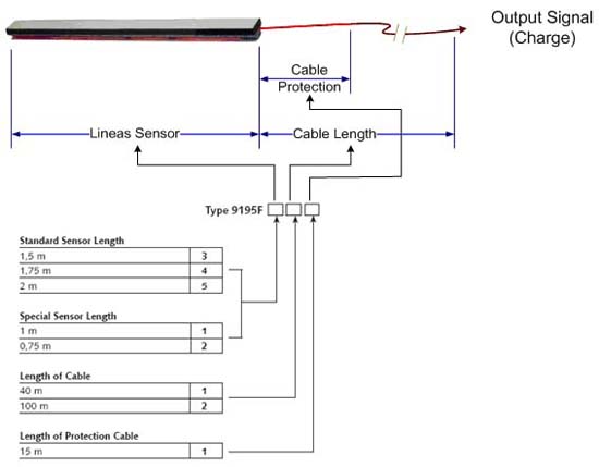
1. Sensor Unit Lineas

 


Inquiry

Name :
Company :
Address :
Email :
Handphone :
Subject :
Product Name :
Product Type :
Message :
   

Video

Tidak ada video untuk produk ini

Testimoni

Download PDF

Tidak ada file catalog untuk produk ini


Artikel Terkait dengan Produk Weigh In Motion


NEWSLETTER

 

TESTIMONIALS

B2TKS

B2TKS
Sangat jarang perusahaan seperti ini di Indonesia!  Mereka terus-menerus mengikuti perkembangan inovasi engineering test & measurement, “nyambung” berdiskusi teknis dan berpengalaman, memiliki visi pengembangan teknologi pengukuran, pengujian, inspeksi dan monitoring.(Dr.-Ing. Ir. May Isnan - NDT Specialist B2TKS-BPPT)

Chevron

Chevron
Tim kerja Alat Uji dapat diandalkan. Sangat bagus dalam implementasi di lapangan. Secara umum kami puas dengan services nya!(Andre - HSE Chevron)

BPPT

BPPT
Saya baru sekali ini bertemu perusahaan engineering yang eksis seperti ini di Indonesia.  Sangat terbantu dengan solusi yang diberikan, sangat memuaskan!(Muksin Saleh, ST., MT - Fuel Conversion and Pollution Control Specialist, B2TE - BPPT)

BALITBANG

BALITBANG
Sistem monitoring yang disuplai oleh Alat Uji adalah yang tertinggi ratingnya sampai dengan saat ini dibandingkan sistem lain yang pernah kami miliki, Dengan sistem monitoring dari Alat Uji, Pengujian kami jadi lebih terkontrol karena ada visualisasi di sistemnya. (Gatot Sukmara - Badan Penelitian dan Pengembangan, Departemen Pekerjaan Umum)

 
Alat Uji Alat Uji Alat Uji Alat Uji Alat Uji Alat Uji